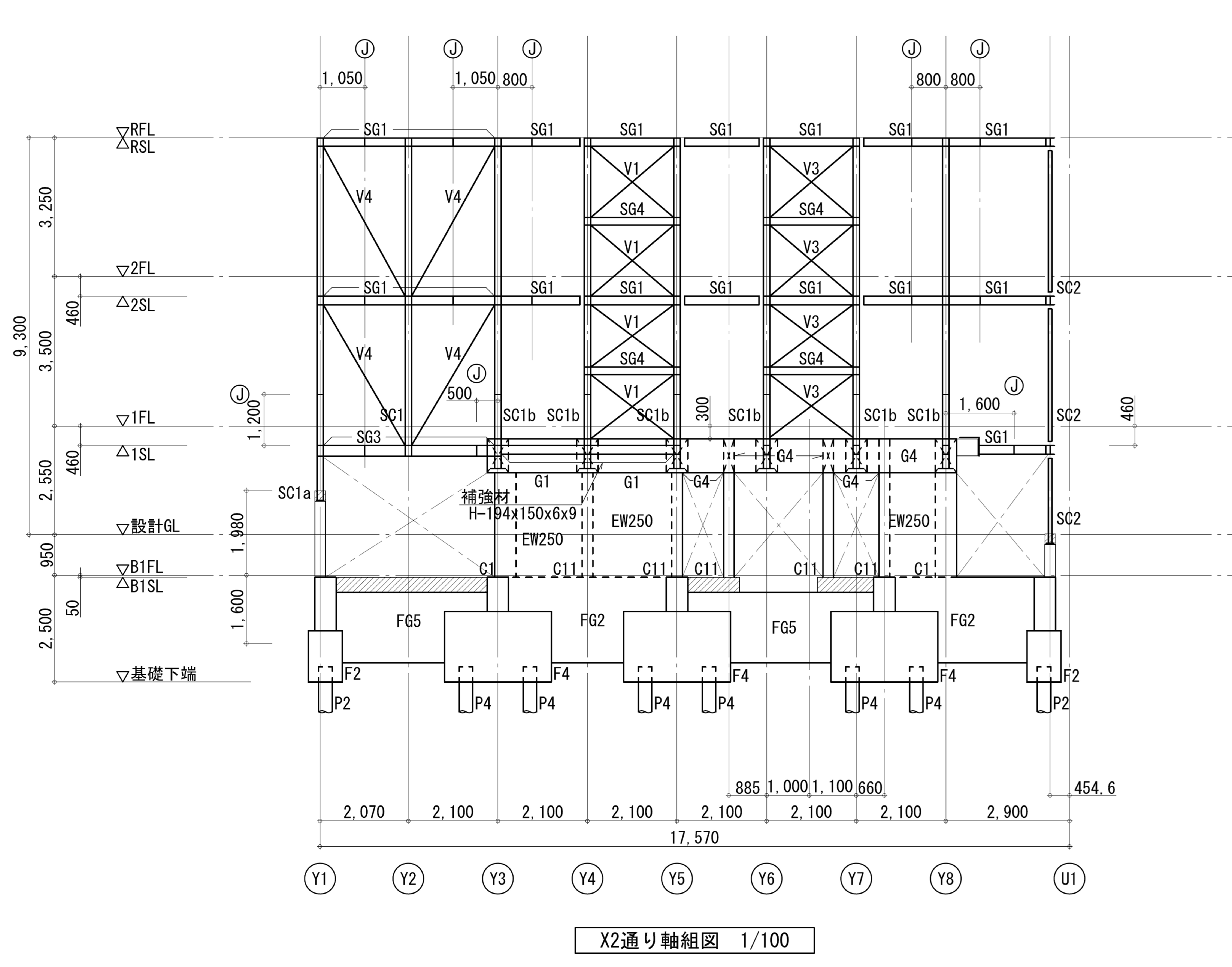
建物規模は約17.6m×10.0m、高さ9.784mで、地上2階、地下1階建てです。地上階はS造と木造の併用構造を採用し、地下階はRC造・S造・木造の3種を併用しました。
地上階は、施工期間の短縮が可能なS造を主体としました。地下階は、地盤に接する南側にRC造を用いています。一方、北側のファサード部分では、地盤面より上部の開放性を重視し、柱断面を細く抑えるため、鉄骨柱で鉛直荷重を支持する計画です。
構造計画概要
水平力に対する主要な抵抗要素は、地上階では鉄骨ブレース、地下階ではRC耐震壁です。RCコア部の平面が狭小であること、また各階の用途が異なることから、RC耐震壁および鉄骨ブレースは上下階で不連続な配置となっています。
床構成は、南側コア部をコンクリート床および合成デッキプレート+コンクリートとし、必要な剛性を確保しています。一方、北側の執務空間の床は木造とし、構造用合板を介して南側のコア部分へ水平力を伝達する構成です。木床の採用により北側の重量を軽減し、重心を南側に寄せる計画としています。その結果、偏心は生じますが、地震時における共用部への負担を軽減しています。
『SS7』利用方法
狭小な諸室に対応して鉄骨ブレースを配置する必要があり、ブレース幅が制限されるため、2段ブレースを採用しています。ダミー層を活用することで、実形状どおりのモデル化としています。 地下1階の鉄骨柱は、地盤面レベルに合わせて柱脚レベルが変わるため、剛域を調整することで、実状どおりの柱剛性となるよう調整を行っています。
鉄骨柱脚部は、ピン柱脚、露出柱脚(半剛)、および埋め込み柱脚があります。埋め込み柱脚については、剛で接続されているものとして計算を行い、剛となるディテールとしています。 なお、木床の床面剛性を規準書に従い算出し、それをブレースに置換することでモデル化を行い、木床剛性を考慮した計算を行っています。
別途検討項目
木床からRC造および鉄骨造への力の伝達については、鉄骨梁に取り付けたボルトやガセットプレートを介して床面の水平力を伝達する計画です。これに対し、接合部のせん断耐力ならびに面材に使用する釘のせん断耐力を検討し、水平力の移行が可能であることを確認しています。
確認審査時の指摘事項や対処方法
1階床レベルのRC造と鉄骨梁の接合部について、当初はピン接合を想定していましたが、接合形状などから鉄骨梁端部に曲げモーメントが生じるのではないかとの指摘がありました。そのため、接合部を剛接合と評価した場合についても検討を行い、接合部の安全性を確認しています。
その他
建築基準法上では、北側の木組みは「仕上げ材」として扱われており、構造的な耐力要素としては申請していませんが、法的な趣旨に反することがないよう、安全性に支障がないことを確認しています。
具体的には、木組みを有限要素モデルとして解析し、北側ファサードフレームの変形を抑制する方向に作用することを把握しました。さらに、有限要素解析により算出した木組み剛性をブレースに置換した上で、偏心率および負担率について検証を行っています。











