(鹿児島県)
ショールーム棟(X12スパン約65.6m)と整備場棟(X9スパン約62.4m)からなる鉄骨造2階建て商業施設。最大約16.8mの大スパン架構を有し、屋根高さの変化や梁勾配を含む立体不整形建物である。
構造計画概要
本建物は車路(勾配床面)や、材長の長いV字形柱がある立体不整形形状のため、X・Y方向とも設計ルート3を採用し、保有水平耐力計算まで実施した。
加えて、梁勾配や段差、方杖付大スパンを含む架構に対し、三次元立体解析を用いて剛性バランスおよびねじれ挙動を評価している。
構造形式はラーメン架構を基本とし、最上階の一部にブレース(方杖)を併用し、屋根面水平ブレースを含む、立体的な水平力伝達機構を構成している。
『SS7』利用方法
三次元立体モデルによる応力・変形解析、ルート3による保有水平耐力計算、塑性ヒンジ発生状況の確認、Ds値算定および部材ランク評価、立体不整形に対する剛性率・偏心率の検討、大スパンのたわみや層間変形制御確認など多岐にわたる。
保有水平耐力は、層間変形角1/75到達時の層せん断力を基準に評価。また、隣棟とのクリアランス制約(50mm)を考慮し、変形角1/150時点での耐力確認も実施している。
終局時材料強度は基準強度の1.1倍を採用し、実務的かつ安全側の評価を行った。
※実際の解析モデルは、ショールーム棟と整備場棟でそれぞれ『SS7』データを作成した。
別途検討項目
不整形な形であるがゆえに、別途検討項目は多様である。V字形柱の柱脚部、段差のある梁の仕口部や方杖の接合部など、一般的な仕口形状が当てはまらないため、別途手計算にて対応した。すべてを計算ソフトで対応することはできないが、熟考すべき事項は構造設計の楽しさの一面でもある。
また、X方向Y方向ともにスパンの飛んでいる床面については、梁配置が格子状の床面を設計し、別途応力状態の確認を行った。
確認審査時の指摘事項や対処方法
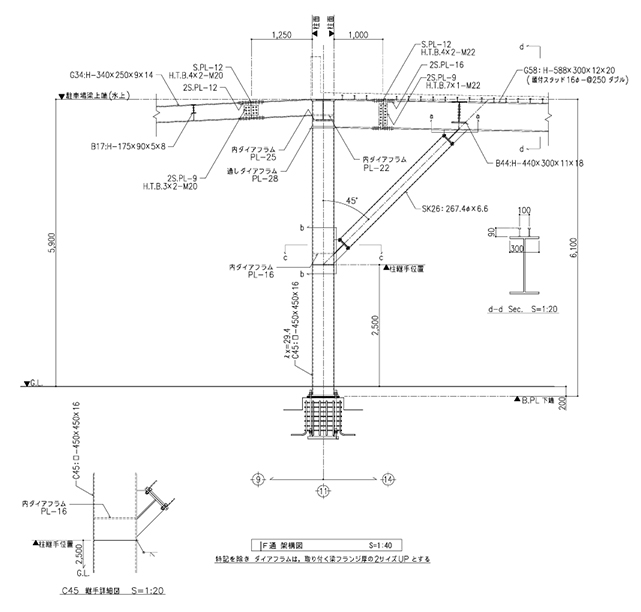
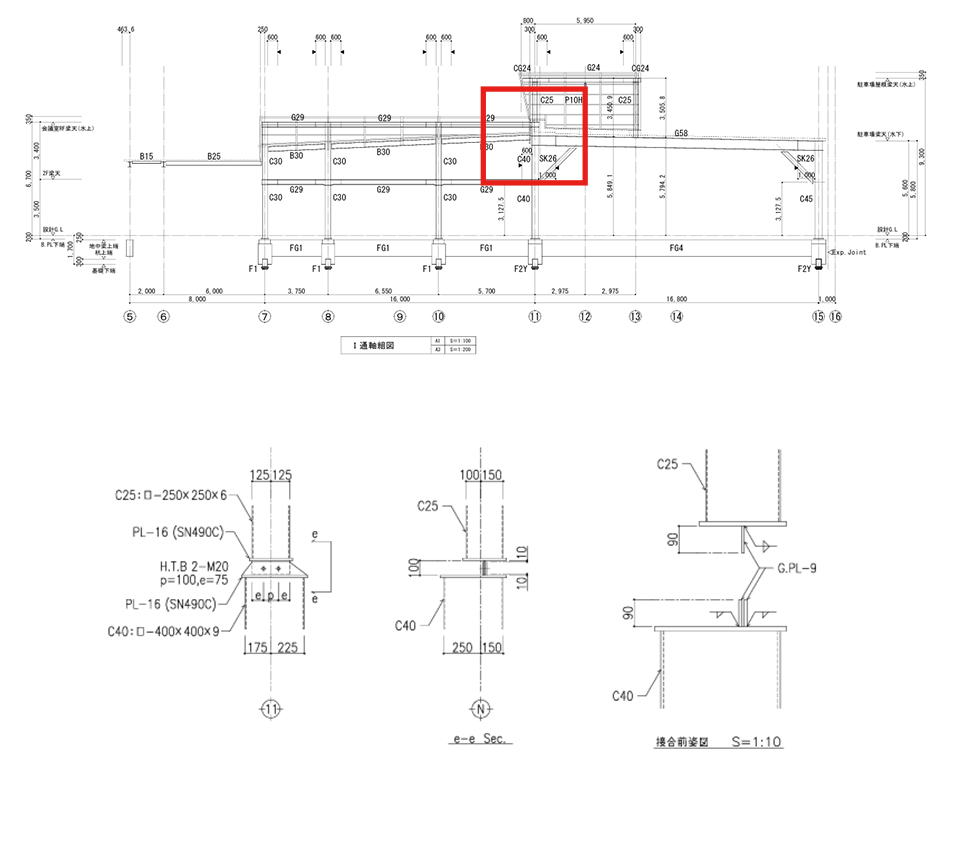
・柱サイズが上下層で大きく変わるケースで、ダイアフラムの検討を求められた。
→ダイアフラム上に集中荷重が掛かるモデルで、板の応力、断面算定を行った。
・スパンが大きい梁の場合、振動や撓みが使用上支障を生じないことの検証を求められた。
→スパンが大きい梁においては梁上部にスタッドを設け合成梁とし、断面性能を『SS7』に直接入力して解析した。その上で変形が想定より小さく抑えられていること、安全性に問題が無いことを確認している。
その他
当時は『SS7』Ver.1.1.1.3で解析をしており、屋根面に計画した小梁間の水平ブレースはモデル化できなかったため、別途検討項目の一つだった。それでも当時は十分完成度が高かったと感じるが、Ver.1.1.21.1より実装された「S大梁の小梁指定」があれば、実質モデル化可能というのは良い改良点である。
他にも、「合成梁の設計・断面算定」などが追加されると、本物件はより設計しやすくなるだろう。















